Арматура безопасности
предназначена для защиты инженерных систем и предотвращения аварийных ситуаций, связанных с превышением давления, температуры или нарушением нормального режима работы оборудования. Надёжные элементы безопасности обеспечивают стабильную и безопасную эксплуатацию систем отопления, водоснабжения и других инженерных сетей.
Арматура безопасности Lavita изготавливается из качественных материалов, устойчивых к коррозии, перепадам температуры и давления. Вся продукция разрабатывается с учётом требований действующих стандартов и подходит для использования в бытовых и промышленных системах.
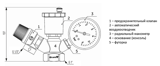
К арматуре безопасности относят группы безопасности, воздухоотводчики, предохранительные и обратные клапаны.
В ассортименте представлены изделия, которые:
• предотвращают избыточное давление и завоздушивание в системы,
• защищают оборудование и трубопроводы от повреждений,
• повышают общую надёжность и срок службы инженерных систем.
Преимущества арматуры безопасности Lavita:
• надёжная защита инженерных систем,
• стабильная работа в заданных параметрах,
• простота монтажа и обслуживания,
• совместимость с большинством стандартных систем,
• контроль качества на всех этапах производства.
|
Группа безопасности расширительного бака для крепления на стене 3/4" 0-4Bar
|
Группа безопасности котла Classic 1" 0-3Bar
|
|||||||
|
Группа безопасности котла M1" 0-3Bar
|
||||||||
